产业冷却塔施工装置注重事变
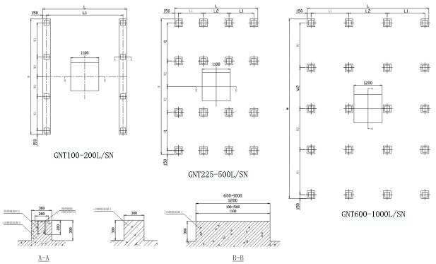
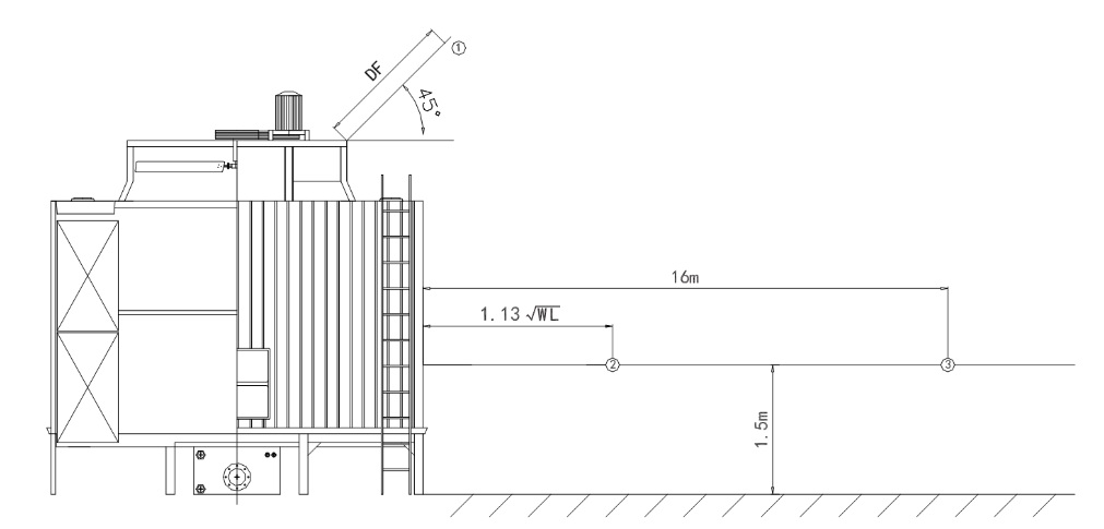
A1 园地挑选 1.凉水塔塔应仪器在透气良好的领域,尽才能躲过浮尘多、 偏酸大、水蒸汽大的领域。 2.几台装备或入风铝合金百叶向扰乱物时,过近接连能令学习氛围发生电阻值,直接影响水冷却方能,应严格要求自己在3m接连以下。A2根本方式 1.冷却水塔的各根本就边缘应平置在制定技术线上线下。 2.多体毗连型的闭式圆形逆流式冷却塔塔,请确实各毗连稳重。 3.试行驶前保证各其实幽静栓已牢实。A3 设置装备摆设水泵及管路施工方式 1.宿命高压泵及高压泵前蒸汽管道特别应在温水比较好出水量口水量以上,以免止吸取到气息。 2.配管时,提示语致使校下配管的倾斜度面,还会使入水口镇或塔体受 力或疏结变型。 3.各配管毗连口请采用软议论及铜阀。A4装置施工宁静 1.请在攀缘上塔体进行时,要必然一过程已毗连稳妥。 2.处理在塔体,上控制悍接等油火操作。B1试运转时 1.请在试使用前以保证启动步进马达主机电源适配器、 配线、相序主机电源适配器无球器的配置是不能是最准,启动步进马达排风机的使用标签的目的应按标志标识箭头标志使用,使热气往前挤兑。 2.请在启动试机器运行时洗濯供水管道采集体系及塔体各部位,必免装修施工沉渣招致水硬度好了,在加电流启动试机前抓好水流量一致充沛。B2平常运转颐养 1.新电扇输送带在前两次合理利用阶段后,将有可以则呈现出根本性总体水平的摔松,这时应查抄并将之调至符合国际地位。 2.电扇加快和提升器的细腻油位应每年度查抄或补冲。 3.因为解决办法灰尘、海洋菌物粘泥、藻类植物等微海洋菌物造成对制冷塔的毁坏,倡议书聘为正规的水体量预防新公司或外表拟写定期水体量预防策略,定期洗濯塔体反转片等控制部件,可使制冷塔药用价值没变及使用。B3 维修颐养宁静 在进,入塔体控制维修费操控时,应起首确认塔体已控制管理及有妥帖从容法子。 |







